Description
Number of Pages: 39
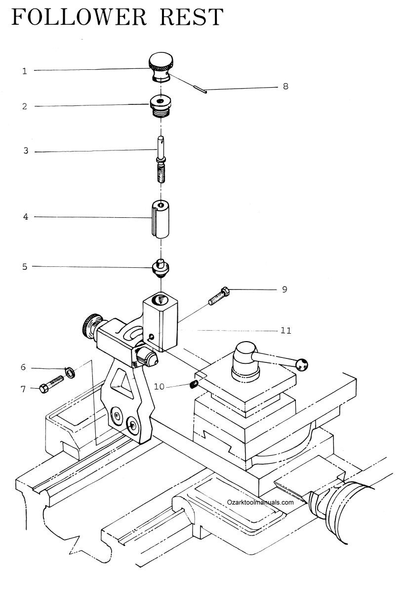
This is a reproduction, not a photocopy, of an original JET, Sharp, Cut King 1430 & 1540 Metal Lathes Parts Manual. These lathes were sold under many different names such as Cut King 14″/20″ x 33″, 16″ x 30″, 14″ x 40″, Mori Seiki Copy, Sharp 1540, Goodway, and JET Tools. This manual contains explosive view diagrams of all the parts for these metal lathes, including the taper attachment, with parts list and descriptions.
|
The manual above may help you operate and maintain your metal lathe. If you would like to learn more about metal lathework techniques, the names and proper uses of different lathe tools, and other lathe operations, I would recommend clicking on the pictures of these two books here. We also have a complete series of different machinist books on sharpening, gearmaking, milling machines, and more here: Workshop Machinist Series |
|
|
|---|
Overview
I have collected this information for many years and have found the information they contain to be priceless in using and setting up the machines properly. I believe this manual will be a valuable resource of knowledge that will provide a lot of helpful information that is often hard to find. My manuals are not photocopies. I maintain a high standard of quality in my reproductions. Most of the manuals I reproduce look better than their originals. I have professionally digitally edited every page, and removed stains, wrinkles and handwriting. All of the manuals are printed on thick white paper to withstand shop wear and tear; they are then comb bound with heavy cover pages so they lie flat on the workbench. Better than a pdf download.

