Description
Number of Pages: 55
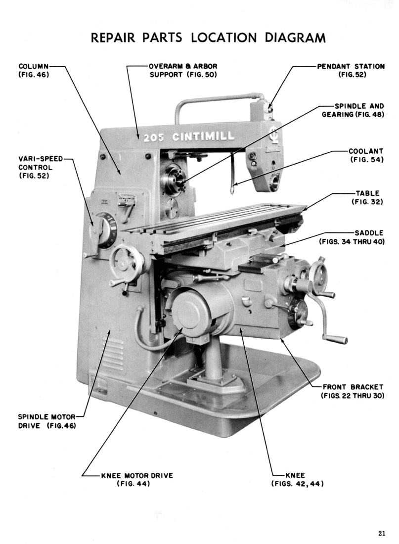
This is a reproduction, not a photocopy, of an original Cincinnati Lathe and Tool Co. CINTIMILL 205-12 model DH Horizontal Milling Machines Instructions Service & Repair Parts Manual. This manual contains the mill dimensions and installation instructions for both the plain and universal models. The mill manual includes lubrication and maintenance instructions. It shows how to properly operate these mills, and shows how to make various adjustments. For example, it shows how to adjust the spindle bearings, the backlash eliminator, and the traverse clutch. The manual also includes a lot of clear explosive view diagrams of all the different parts for these Cincinnati CINTIMILL Milling Machines with parts list.
Overview
I have collected this information for many years and have found the information they contain to be priceless in using and setting up the machines properly. I believe this manual will be a valuable resource of knowledge that will provide a lot of helpful information that is often hard to find. My manuals are not photocopies. I maintain a high standard of quality in my reproductions. Most of the manuals I reproduce look better than their originals. I have professionally digitally edited every page, and removed stains, wrinkles and handwriting. All of the manuals are printed on thick white paper to withstand shop wear and tear; they are then comb bound with heavy cover pages so they lie flat on the workbench. Better than a pdf download.
