Description
Number of Pages: 65
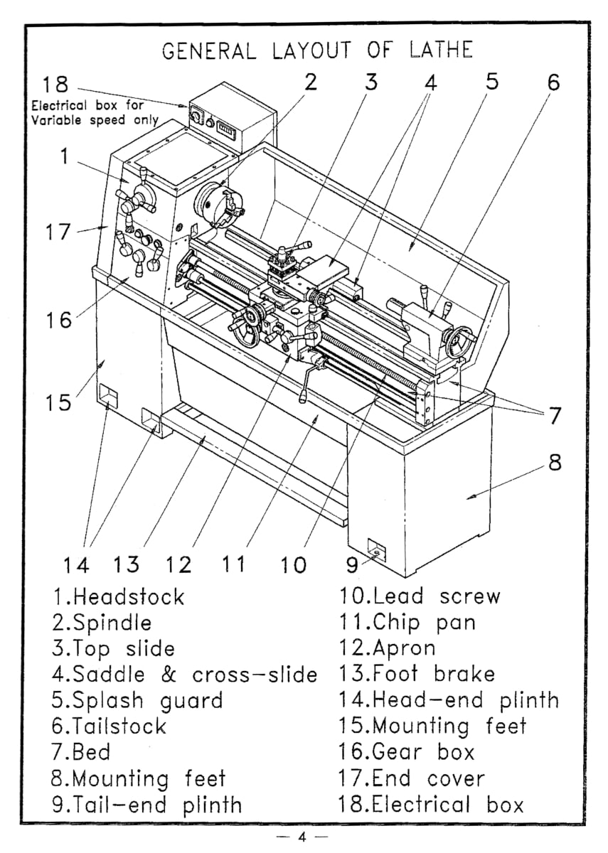
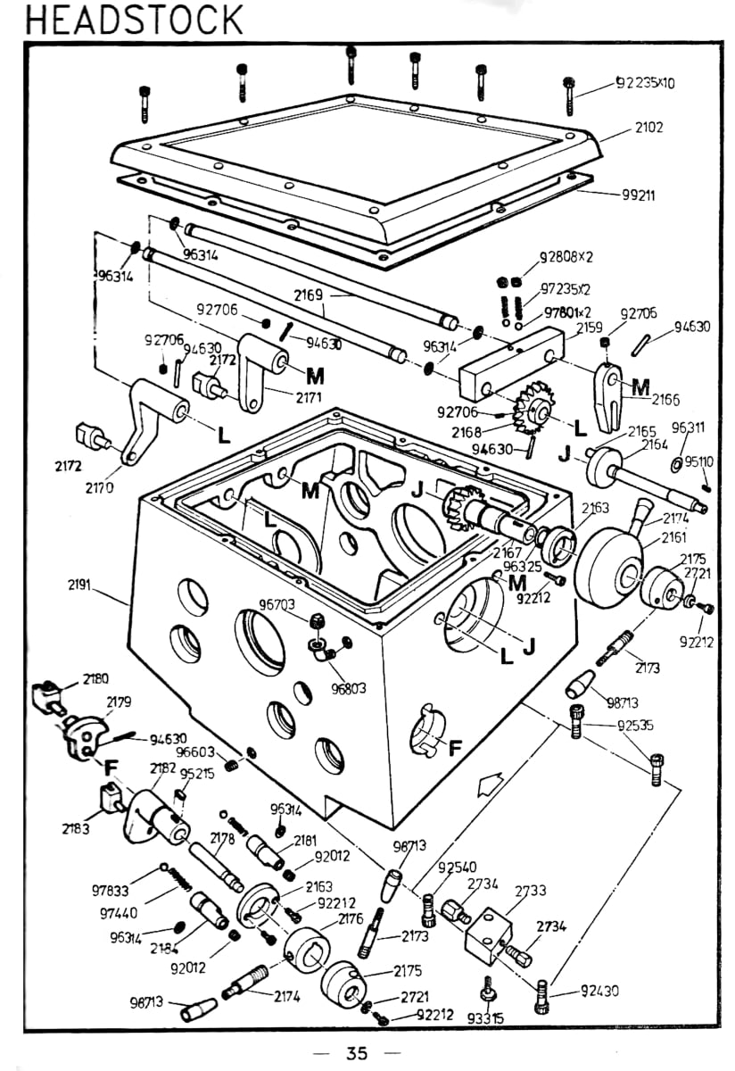
This is a reproduction, not a photocopy, of an original Sharp 1340F, 1440F, and 1440V Gear Change and Variable Speed Metal Lathes Operating Instructions and Parts Manual. This lathe manual contains lathe specifications, installation instructions, proper lubricating instructions, and the correct operating procedures. It includes all the threading gear charts and the electrical wiring diagrams schematics. This manual also does a good job explaining how to align and trim this lathe, especially for an Asian manual. The manual contains clear explosive view diagrams of all the parts with parts list and descriptions for this Sharp metal lathe.
|
The manual above may help you operate and maintain your metal lathe. If you would like to learn more about metal lathework techniques, the names and proper uses of different lathe tools, and other lathe operations, I would recommend clicking on the pictures of these two books here. We also have a complete series of different machinist books on sharpening, gearmaking, milling machines, and more here: Workshop Machinist Series |
|
|
|---|
Overview:
I have collected this information for many years and have found the information they contain to be priceless in using and setting up the machines properly. I believe this manual will be a valuable resource of knowledge that will provide a lot of helpful information that is often hard to find. My manuals are not photocopies. I maintain a high standard of quality in my reproductions. Most of the manuals I reproduce look better than their originals. I have professionally digitally edited every page and removed stains, wrinkles, and handwriting. All of the manuals are printed on thick white paper to withstand shop wear and tear, which can be better than a low-resolution free PDF download.
