Description
Number of Pages: 20
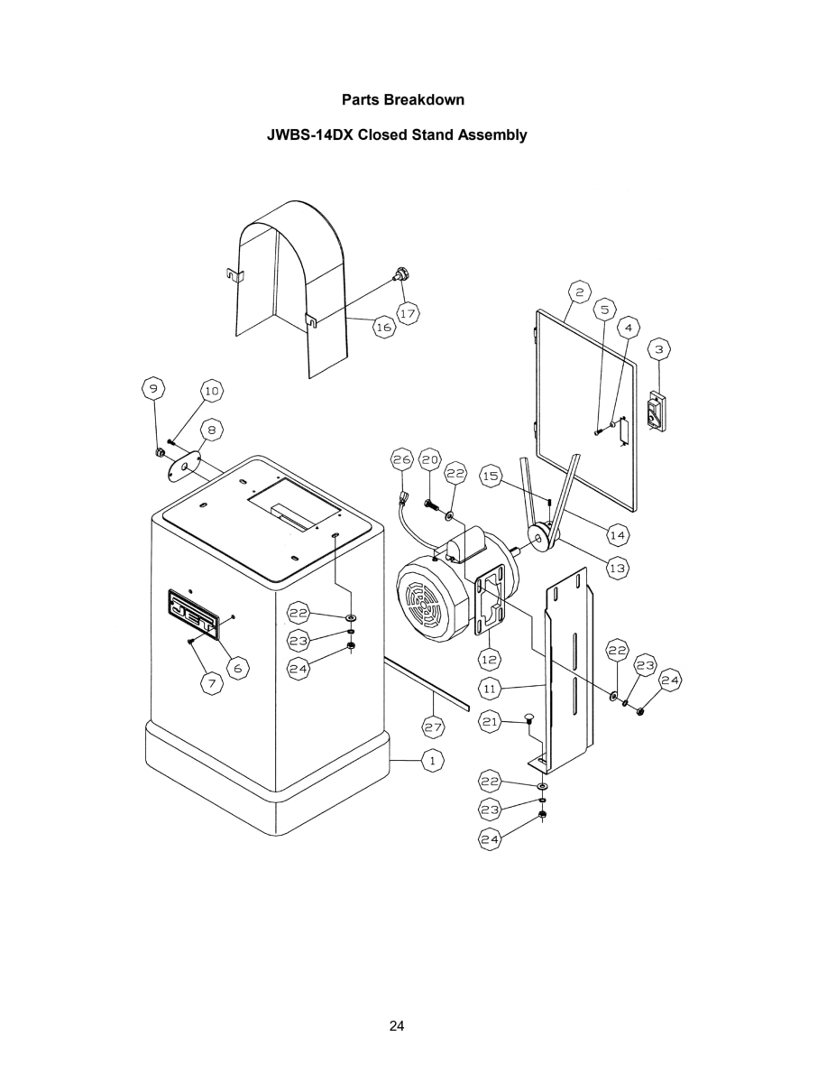
This is a reproduction, not a photocopy, of an original JET 14″ JWBS-14DX Deluxe Band Saw Owner Operator’s & Service Parts Manual for stock number 710115K. This manual contains information on set-up, the band saw specifications, proper operating instructions, changing blades, and various adjustments. The manual also contains a clear set of explosive view parts diagrams of all the parts with parts list and descriptions.
|
The manual above may help you operate and maintain your band saw, but if you would like to learn more about properly tuning and using your band saw, I highly recommend you check out this book here: New Complete Guide to Band Saws. Personally used this book to set up band saws in my shop. It covers almost every topic you would want to know about in a lot more detail with pictures and illustrations than you standard band saw manual, like how to properly adjust for blade tracking and more. Click on the link or the picture to read the description and learn more about this useful book. |
|
|---|
Overview
I have collected this information for many years and have found the information they contain to be priceless in using and setting up the machines properly. I believe this manual will be a valuable resource of knowledge that will provide a lot of helpful information that is often hard to find. My manuals are not photocopies. I maintain a high standard of quality in my reproductions. Most of the manuals I reproduce look better than their originals. I have professionally digitally edited every page, and removed stains, wrinkles and handwriting. All of the manuals are printed on thick white paper to withstand shop wear and tear; they are then comb bound with heavy cover pages, so they lie flat on the workbench, which is better than a low-resolution pdf download.






