Description
Number of Pages: 31
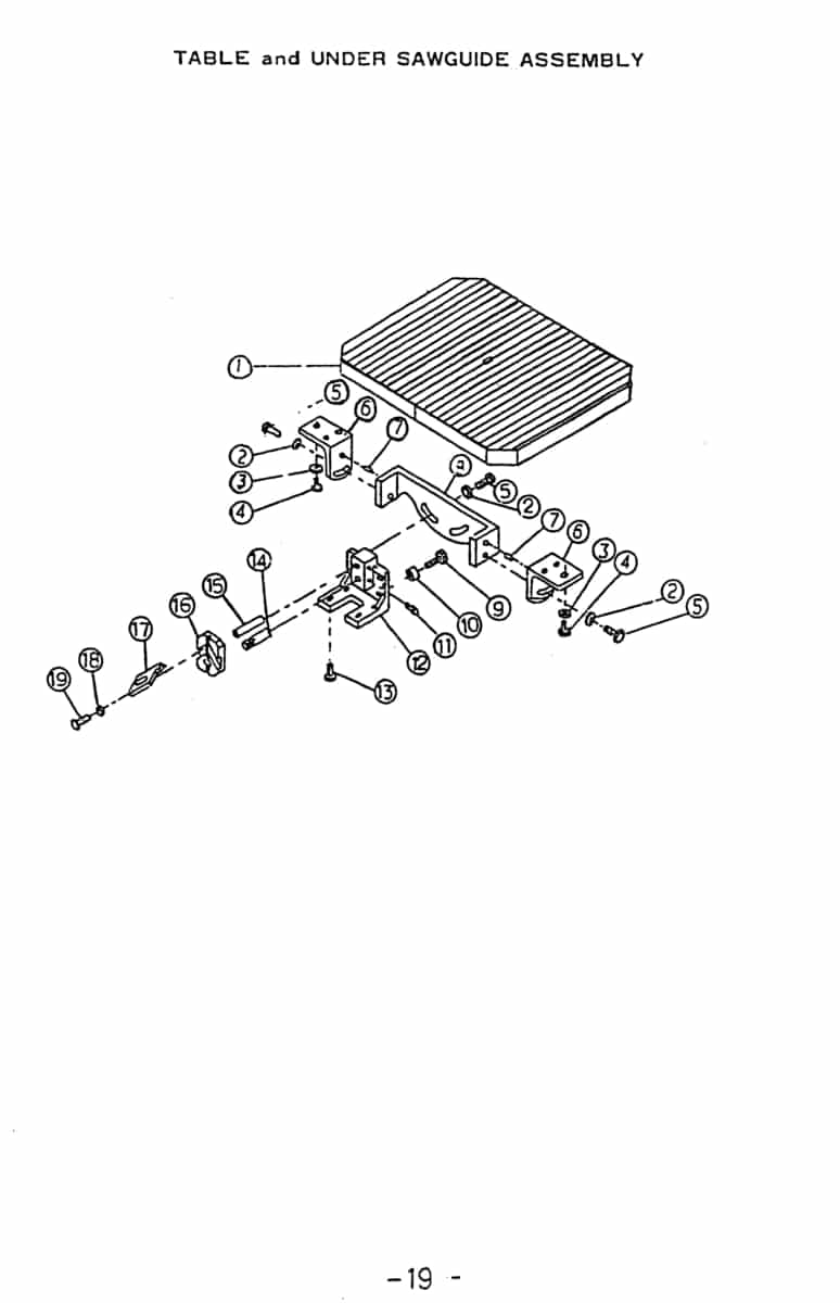
This is a reproduction, not a photocopy, of an original Birmingham Vertical Metalworking Band Saw Models KB-30, KB-36, KB-45 Owner’s Operator’s and Parts Manual. These band saws were sold under a variety of names in the USA like, Acra, Ajax, Globe, Gromax, Modern, T-Saw, Saber, SawKing, Speeder, KBC, MSC, etc….. This Birmingham manual contains information on band saw machine specifications, operating instructions, lubrication, adjustments, blade installation, table adjustments, blade welding instructions, a troubleshooting guide, and a complete set of exploded view diagrams of the parts for this band saw with parts lists and descriptions.
Overview
I have collected this information for many years and have found the information they contain to be priceless in using and setting up the machines properly. I believe this manual will be a valuable resource of knowledge that will provide a lot of helpful information that is often hard to find. My manuals are not photocopies. I maintain a high standard of quality in my reproductions. Most of the manuals I reproduce look better than their originals. I have professionally digitally edited every page and removed stains, wrinkles, and handwriting. All of the manuals are printed on thick white paper to withstand shop wear and tear; they are then comb-bound with heavy cover pages, so they lie flat on the workbench, which is better than a low-resolution free PDF download.


