Description
Number of Pages: 60
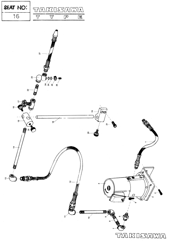
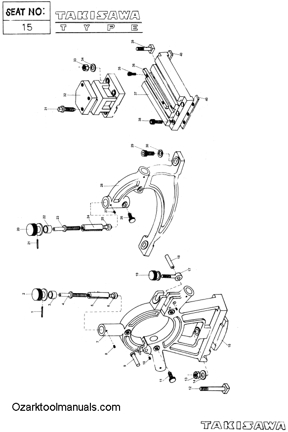
This is a reproduction, not a photocopy, of an original Takisawa TSL-D Six Speed Metal Lathe parts manual, and covers models TSL-550D (14×20), TSL-800D (14×30), and TSL-1000D (14×40). These lathes were sold under many different names including Webb, Royal, and Logan/Powermatic. This lathe manual includes explosive view diagrams of all the parts for these lathes including the electrical control panel.
We have the owner’s manual for the Takisawa TSL-D lathes here:
TAKISAWA, Webb, Royal TSL-DX Metal Lathe Owner’s and Instruction Manual
|
The manual above may help you operate and maintain your metal lathe. If you would like to learn more about metal lathework techniques, the names and proper uses of different lathe tools, and other lathe operations, I would recommend clicking on the pictures of these two books here. We also have a complete series of different machinist books on sharpening, gearmaking, milling machines, and more here: Workshop Machinist Series |
|
|
|---|
Overview:
I have collected this information for many years and have found the information they contain to be priceless in using and setting up the machines properly. I believe this manual will be a valuable resource of knowledge that will provide a lot of helpful information that is often hard to find. My manuals are not photocopies. I maintain a high standard of quality in my reproductions. Most of the manuals I reproduce look better than their originals. I have professionally digitally edited every page, and removed stains, wrinkles and handwriting. All of the manuals are printed on thick white paper to withstand shop wear and tear, which is better than a low resolution pdf download.

