Description
Number of Pages: 60
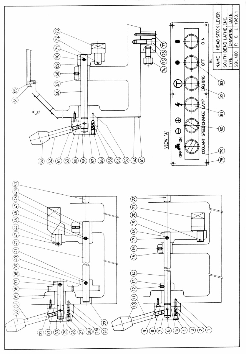
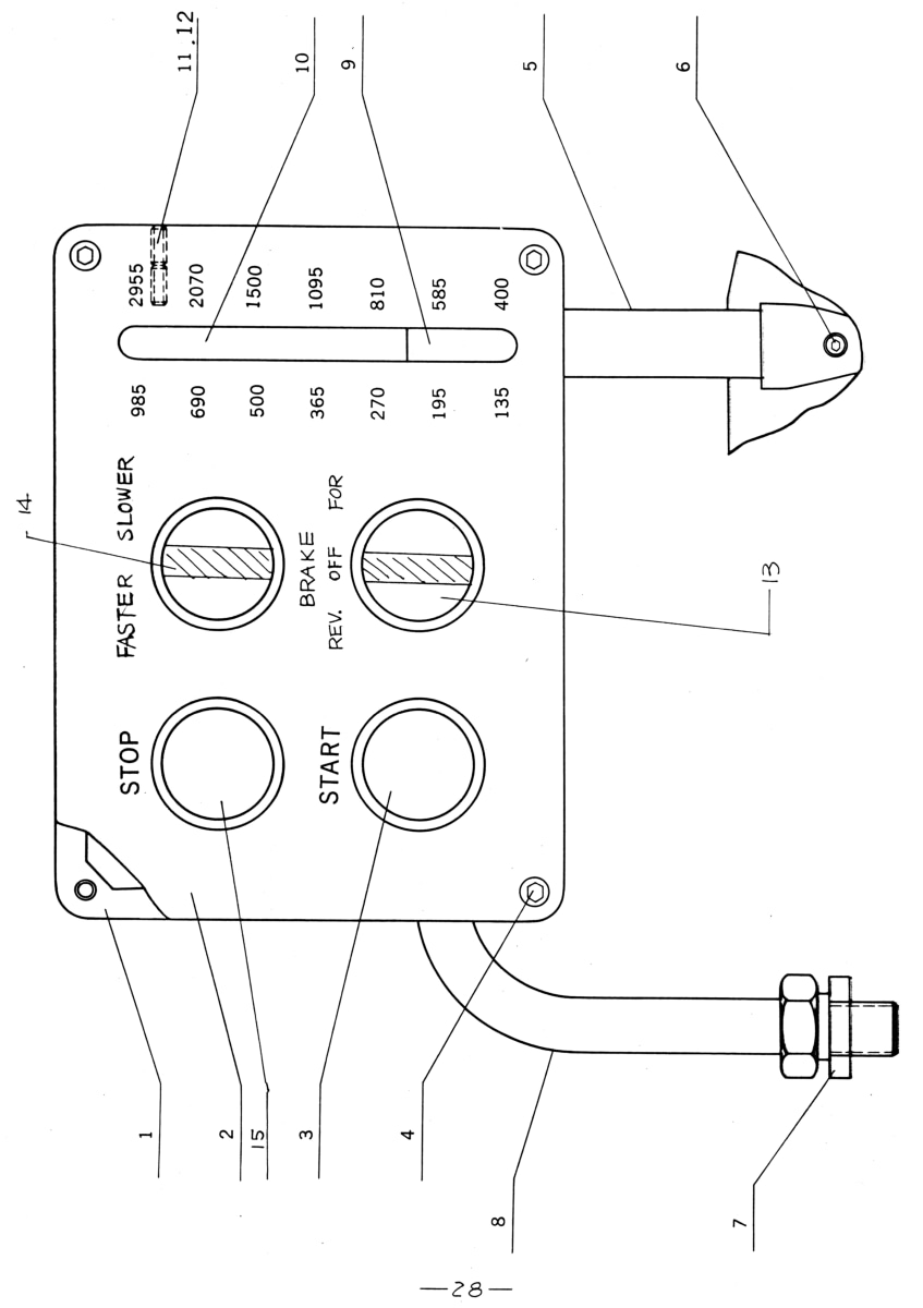
This is a reproduction, not a photocopy, of an original Feeler FTL-618E Toolroom Metal Lathe Owner Service Parts Manual. This is the same as the Enco model 111-2000 toolroom lathe. The manual contains information on the lathe specifications, installation and lifting instructions, proper lubrication instructions and how to correctly operate this Feeler metal lathe. This manual also contains information on different maintenance issues, like adjusting the collet closer, the brake, and clutches. It also has the standard and metric thread charts, and an electrical wiring diagram schematic. There is also a complete set of cross-sectional view diagrams of all the parts with parts list and descriptions for these toolroom metal lathes.
Overview
I have collected this information for many years and have found the information they contain to be priceless in using and setting up the machines properly. I believe this manual will be a valuable resource of knowledge that will provide a lot of helpful information that is often hard to find. My manuals are not photocopies. I maintain a high standard of quality in my reproductions. Most of the manuals I reproduce look better than their originals. I have professionally digitally edited every page, and removed stains, wrinkles and handwriting. All of the manuals are printed on thick white paper to withstand shop wear and tear; they are then comb bound with heavy cover pages, so they lie flat on the workbench. Better than a low-resolution pdf download.





