Description
Number of Pages: 41
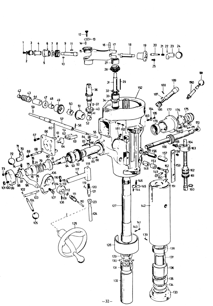
This is a reproduction, not a photocopy, of an original Comet 2H, 3H, 4H, 2VH, 3VH, 4VH Vertical Milling Machine Operation and Parts Manual for both step-pulley and variable speed models. This manual contains information the milling machine specifications, lifting and installation instructions, operating instructions, belt replacement instructions, and instructions on making various adjustments to make the mill run trim and true. The manual has proper lubricating instructions and explosive view diagrams of all the parts with parts lists and descriptions for these Comet milling machines.
|
The manual above may help you operate and maintain your milling machine, but if you would like to learn more about how to set up and use your mill properly, I highly recommend you check out this book here: The Milling Machine for Home Machinists Book. It covers how to properly install, and check for alignment of the table and spindle illustrated in color photographs and diagrams. It goes into the basics of how to clamp down different shaped material. This information can even be useful for experienced mill operators. You’ll wish this was the manual that originally came with your mill with its no-nonsense approach. We also have a complete series of different machinist books on sharpening, gearmaking, metal lathes, and more here: Workshop Machinist Series |
|
|---|
Overview
I have collected this information for many years and have found the information they contain to be priceless in using and setting up the machines properly. I believe this manual will be a valuable resource of knowledge that will provide a lot of helpful information that is often hard to find. My manuals are not photocopies. I maintain a high standard of quality in my reproductions. Most of the manuals I reproduce look better than their originals. I have professionally digitally edited every page,and removed stains, wrinkles and handwriting. All of the manuals are printed on thick white paper to withstand shop wear and tear; they are then comb-bound with heavy cover pages so they lie flat on the workbench, which can be better than a low-resolution free pdf download.




