Description
Number of Pages: 19
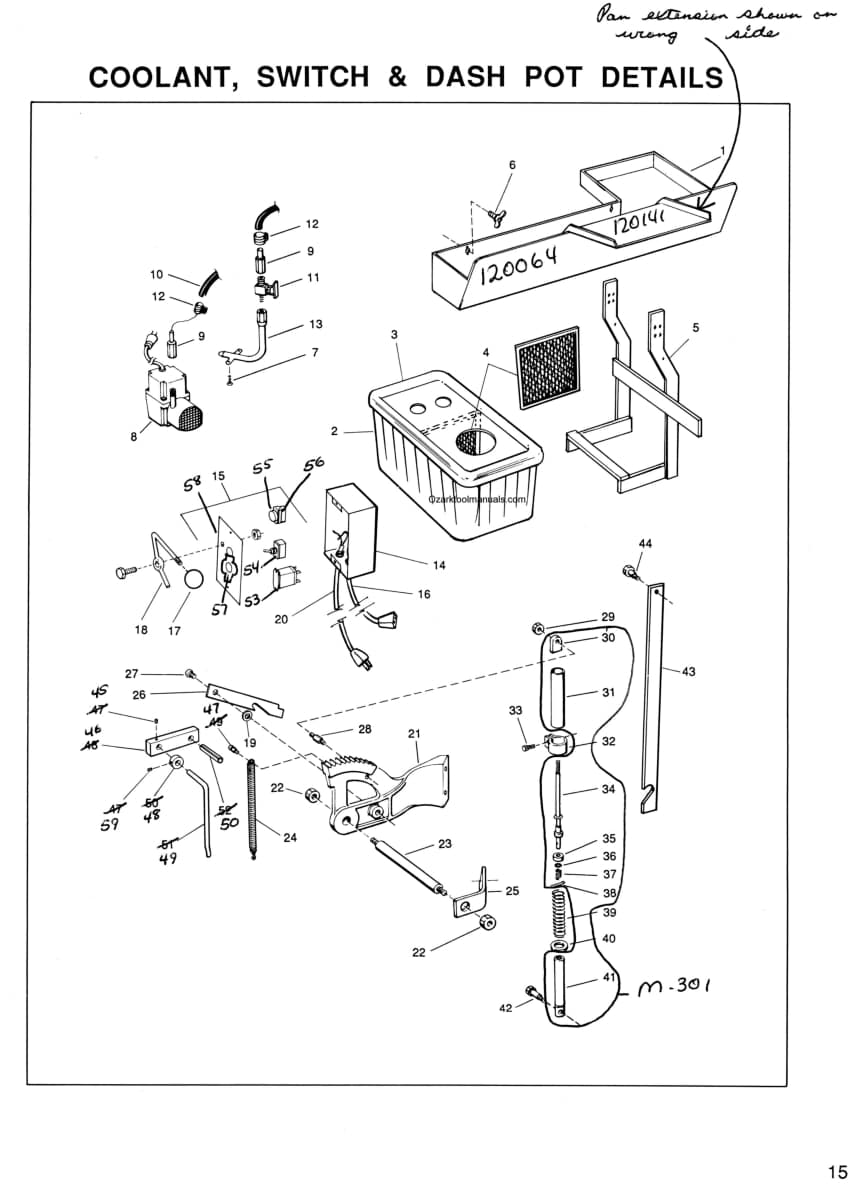
This is a reproduction, not a photocopy, of an original Wellsaw Model 58B Metal Cutting Band Saw Operations and Parts Manual. This factory Wellsaw Model 58B Metal Cutting Bandsaw Parts, Operating & Maintenance Manual covers everything needed to properly run, service, and repair the 58B saw beginning with serial number 22020. It includes full safety considerations, detailed operating and maintenance instructions, and complete exploded‑view parts drawings for the bed and legs, wheel and frame assemblies, blade guides, gear box, coolant system, switch box, and dashpot components. The manual also provides corresponding parts lists, service‑parts changes, and a Select‑O‑Chart with guidance on blade selection, cutting speeds, and recommended operating practices. Additional sections include OSHA survey information and extensive safety guidelines for grounding, tool handling, work area setup, and proper cutting procedures. This manual is an essential reference for owners, restorers, and shops using the Wellsaw 58B, offering accurate factory information for troubleshooting, repairs, and safe operation. There are some handwritten parts in this manual, but they look like they are from the manufacturer. It appears that they added information that was ommited during the original printing.
Overview:
I have collected this information for many years and have found the information they contain to be priceless in using and setting up the machines properly. I believe this manual will be a valuable resource of knowledge that will provide a lot of helpful information that is often hard to find. My manuals are not photocopies. I maintain a high standard of quality in my reproductions. Most of the manuals I reproduce look better than their originals. I have professionally digitally edited every page, and removed stains, wrinkles and handwriting. All of the manuals are printed on thick white paper to withstand shop wear and tear, which can be better than a low resolution free pdf download.
