Description
Number of Pages: 69, printed 5.5″ x 8.5″
This is a reproduction, not a photocopy, of an original Walker Turner The Bench Saw, Jointer, and Spindle Shaper, Their Use and Application Book. This book is part of a series of books that Walker Turner published on their woodworking machinery. Each one contains a wealth of knowledge about the use of these old machines that can still be applied to machines manufactured today.
This book covers many different topics related to bench saws which include: how to sharpen and care for saw blades, resawing, how to do crosscutting, dadoing and rabbeting, tenoning, and cutting metal.
This book covers many different topics related to jointers which include: how to test for table alignment, how to align and sharpen jointer knives, planing, rabbeting, mouldings, and trouble shooting.
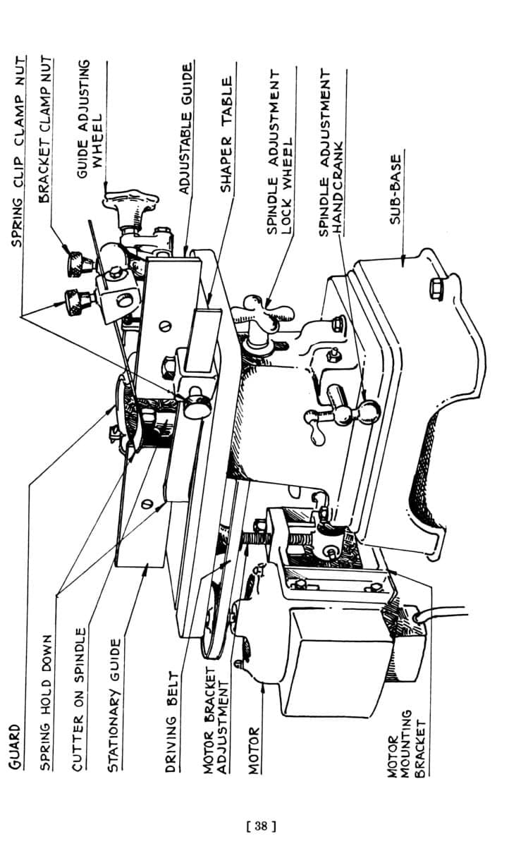
This book covers many different topics related to spindle shapers which include: proper spindle speeds, types of cutters, how to grind cutters to various shapes, how to reharden a cutter, drop leaf hinge joint, reeding and fluting, paneling, sanding, surface grinding, and straight shaping.
Overview:
I have collected this information for many years and have found the information they contain to be priceless in using and setting up the machines properly. I believe this manual will be a valuable resource of knowledge that will provide a lot of helpful information that is often hard to find. My manuals are not photocopies. I maintain a high standard of quality in my reproductions. Most of the manuals I reproduce look better than their originals. I have professionally digitally edited every page, and removed stains, wrinkles and handwriting. All of the manuals are printed on thick white paper to withstand shop wear and tear, plus it’s easier to read then a pdf download.
