Description
Number of Pages: 88
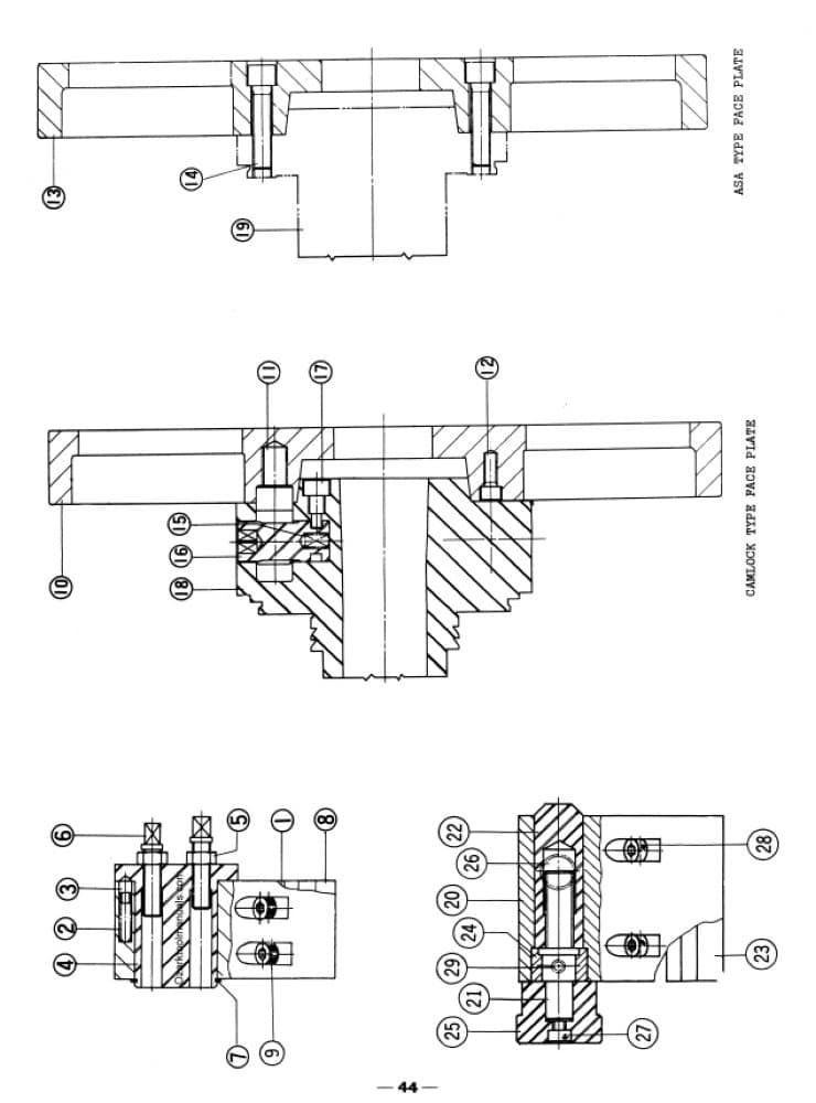
This is a reproduction, not a photocopy, of an original Victor 1600 & 2000 Series Metal Lathe Operating Instructions and Parts Manual. These metal lathes were by Taichung Machinery Works Co. ,and covers the following models 1630, 1640, 1660, 2040, 2060, 2080, 20100, and 20120. This lathe manual contains information about the lathe specifications, lifting and installation, proper operating instructions, and the feedrate and threading plate charts. The manual also has instructions on performing maintenance on adjustments, including adjusting the spindle bearings, and a trouble shooting guide. There are a complete set of clear cross-sectional view diagrams of all the parts with parts list and descriptions.
Overview:
I have collected this information for many years and have found the information they contain to be priceless in using and setting up the machines properly. I believe this manual will be a valuable resource of knowledge that will provide a lot of helpful information that is often hard to find. My manuals are not photocopies. I maintain a high standard of quality in my reproductions. Most of the manuals I reproduce look better than their originals. I have professionally digitally edited every page, and removed stains, wrinkles and handwriting. All of the manuals are printed on thick white paper to withstand shop wear and tear.
