Description
Number of Pages: 49
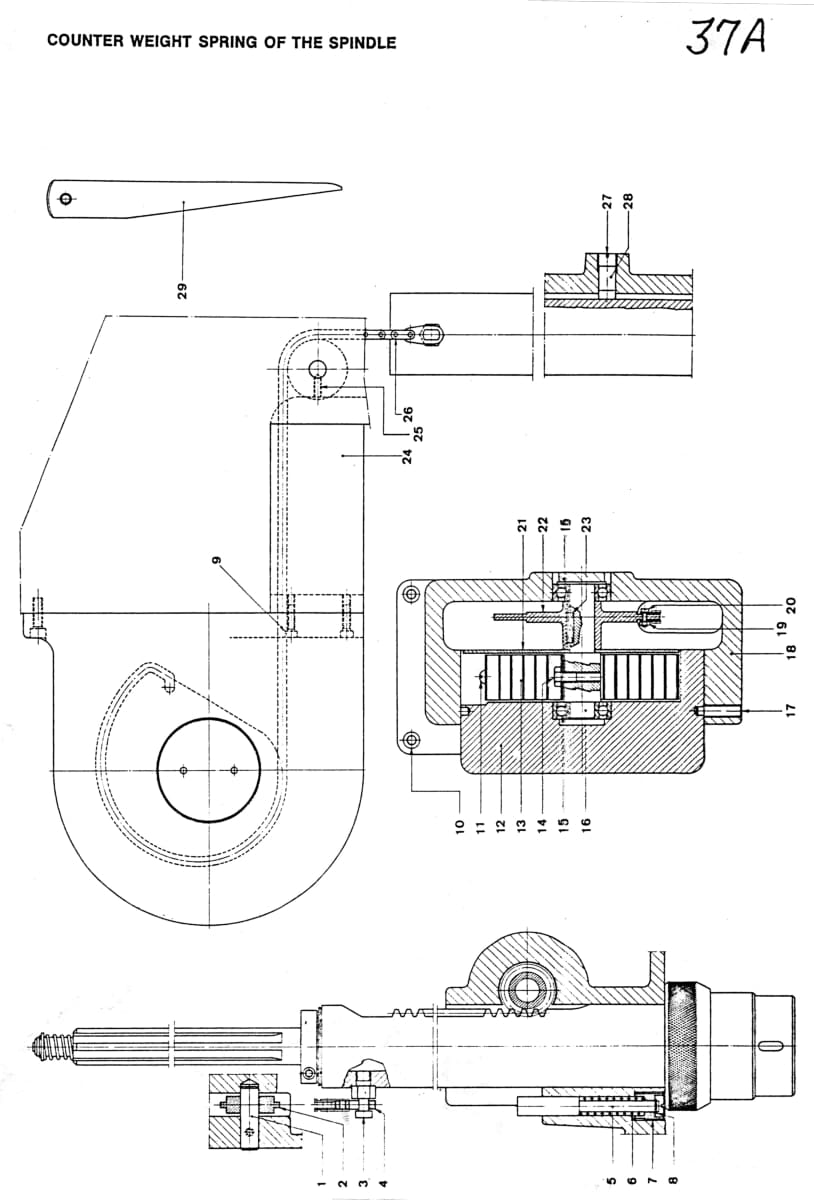
This is a reproduction, not a photocopy, of an original Summit 4 ft., 5 ft., and 6 ft. Radial Drills Operator’s and Parts Manual. This Summit Radial Drill Use and Maintenance Manual provides a complete factory guide for operating, adjusting, and maintaining Summit radial drill models in the 4′ x 12″, 5′ x 14½”, and 6′ x 14½” sizes. It begins with preliminary works and technical features, followed by instructions for lifting the machine, preparing the foundation, and understanding the driving units with accompanying drawings.
The manual includes overall dimensions, full lubrication charts for both the machine and head, and procedures for unlocking and connecting the machine to power. It covers spindle‑speed gearing, slide‑rule reading, drill removal, head‑sliding adjustments, and safety devices such as the arm‑fall protection system. Additional sections explain counterweight spring adjustment, spindle and column locking adjustments, arm and head clamping, end‑stroke settings, clutch adjustment, and complete electrical schematics. The manual concludes with an index of spare parts, making it an essential reference for owners, restorers, and operators of Summit radial drills who need accurate setup, troubleshooting, and maintenance information with clear cross-sectional view diagrams of all the parts for these Summit radial drills.
Overview:
I have collected this information for many years and have found the information they contain to be priceless in using and setting up the machines properly. I believe this manual will be a valuable resource of knowledge that will provide a lot of helpful information that is often hard to find. My manuals are not photocopies. I maintain a high standard of quality in my reproductions. Most of the manuals I reproduce look better than their originals. I have professionally digitally edited every page, and removed stains, wrinkles and handwriting. All of the manuals are printed on thick white paper to withstand shop wear and tear, which can be better than a low-resolution free PDF download.
