Description
Number of Pages: 61
This is a reproduction, not a photocopy, of an original South Bend 1307 Metal Lathe Operation, Maintenance, and Parts Manual. This manual contains all the information listed below in the contents. This machine was originally sold as a Sidney 1307 metal lathe. They went out of business, and sold the rights to South Bend.
Contents:
| SECTION 1 SAFETY INSTRUCTIONS…………………………………… | 1 |
| SECTION 2 PREPARATION FOR USE…………………………………… | 2,3 |
| LOCATION………………………………………………………………………….. | 2 |
| UNCRATING………………………………………………………………………… | 2 |
| INITIAL CLEANING……………………………………………………………… | 3 |
| INITIAL LUBRICATION……………………………………………………….. | 3 |
| ANCHOR BOLTING……………………………………………………………… | 3 |
| LIFTING LATHE…………………………………………………………………… | 3 |
| LEVELING……………………………………………………………………………. | 3 |
| ELECTRICAL HOOKUP………………………………………………………… | 3 |
| SECTION 3 OPERATION………………………………………………………. | 4,5,6 |
| SCOPE…………………………………………………………………………………. | 4 |
| ELECTRICAL CONTROLS…………………………………………………….. | 4 |
| HEADSTOCK, GEAR BOX, & APRON…………………………………… | 4 |
| OIL LEVEL WINDOWS…………………………………………………………. | 4 |
| SELECTING SPINDLE SPEEDS……………………………………………… | 4 |
| THREAD & FEED SELECTION………………………………………………. | 4 |
| CARRIAGE……………………………………………………………………………. | 5 |
| ILLUSTRATIONS………………………………………………………………….. | 6 |
| MAJOR COMPONENTS………………………………………………………… | 6 |
| TAILSTOCK…………………………………………………………………………. | 6 |
| THREAD DIAL………………………………………………………………………. | 6 |
| THREAD STOP……………………………………………………………………… | 6 |
| MICROMETER SADDLE STOP………………………………………………. | 6 |
| TAPER ATTACHMENT………………………………………………………….. | 6 |
| SECTION 4 LUBRICATION…………………………………………………… | 7,8 |
| HEADSTOCK AND GEAR BOX…………………………………………….. | 7 |
| CARRIAGE……………………………………………………………………………. | 7 |
| TAILSTOCK…………………………………………………………………………. | 7 |
| LUBRICATION INSTRUCTION PLATE………………………………….. | 7 |
| DAILY CARE OF THE LATHE……………………………………………….. | 7 |
| RECOMMENDED LUBRICANTS…………………………………………… | 7 |
| SECTION 5 MAINTENANCE…………………………………………………. | 9,10 |
| INSPECTIONS AND ADJUSTMENTS…………………………………….. | 9 |
| SADDLE GIB CLEARANCE ADJUSTMENT……………………………. | 9 |
| DRIVE BELT TENSION…………………………………………………………. | 9 |
| CROSS SLIDE GIB ADJUSTMENT | |
| COMPOUND REST TOP GIB ADJUSTMENT………………………….. | 9 |
| CROSS-FEED COMPENSATING NUT ADJUSTMENT……………. | 10 |
| APRON CLUTCH ADJUSTMENT…………………………………………… | 10 |
| ADJUSTING SPINDLE BEARINGS…………………………………………. | 10 |
| MOTOR………………………………………………………………………………… | 11 |
| ELECTRONIC DRIVE……………………………………………………………. | 11 |
| REPAIR AND REPLACEMENTS…………………………………………….. | 11 |
| SECTION 6 ACCESSORIES…………………………………………………… | 12 |
| SPINDLE MOUNTED ACCESSORIES……………………………………. | 12 |
| STEADY REST………………………………………………………………………. | 12 |
| FOLLOWER REST…………………………………………………………………. | 12 |
| SECTION 7 SPECIFICATIONS………………………………………………. | 13 |
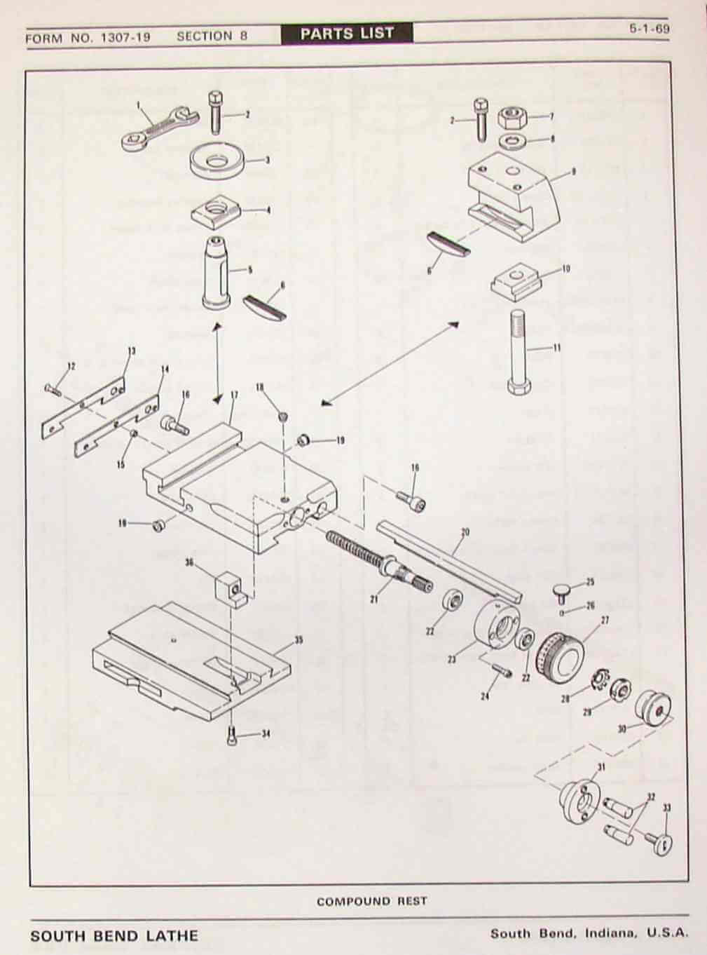
| SECTION 8 ILLUSTRATIONS AND PARTS LISTS………………….. | 14 |
| Parts List and Diagrams…………………………………………………………….. | 15-61 |
Picture from inside:
Overview:
I have collected this information for many years and have found the information they contain to be priceless in using and setting up the machines properly. I believe this manual will be a valuable resource of knowledge that will provide a lot of helpful information that is often hard to find. My manuals are not photocopies. I maintain a high standard of quality in my reproductions. Most of the manuals I reproduce look better than their originals. I have professionally digitally edited every page, and removed stains, wrinkles and handwriting. All of the manuals are printed on thick white paper to withstand shop wear and tear.





