Description
Number of Pages: 28
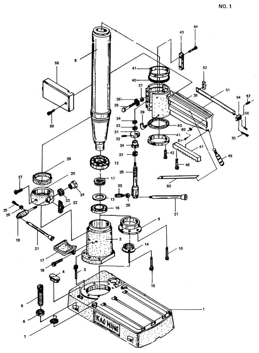
This is a reproduction, not a photocopy, of an original KAO MING KMR-700DS Radial Drill Owner’s, Operator’s and Parts Manual this drill was sold as a Supermax as well as other brands when imported. This manual contains the radial drill specifications, safety instructions, operating instructions, and maintenance. The manual also has proper lubrication instructions and wiring diagrams. The manual includes a complete set of explosive view diagrams of all the parts with parts list and descriptions for this KMS-700DS Radial Drill.
Overview
I have collected this information for many years and have found the information they contain to be priceless in using and setting up the machines properly. I believe this manual will be a valuable resource of knowledge that will provide a lot of helpful information that is often hard to find. My manuals are not photocopies. I maintain a high standard of quality in my reproductions. Most of the manuals I reproduce look better than their originals. I have professionally digitally edited every page, and removed stains, wrinkles and handwriting. All of the manuals are printed on thick white paper to withstand shop wear and tear; they are then comb bound with heavy cover pages so they lie flat on the workbench. Better than a pdf download.
