Description
Number of Pages: 63
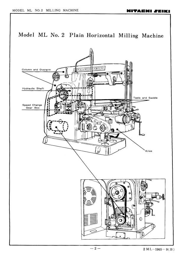
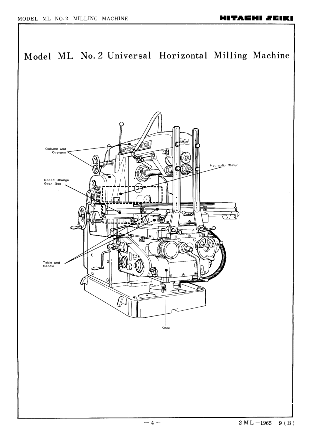
This is a reproduction, not a photocopy, of an original Japanese Hitachi Seiki Model 2ML-P Plain and 2ML-U Universal Medium Duty Horizontal and Vertical (2ML-V) Milling Machines Parts Manual. This manual contains a hybrid of cross-sectional diagrams of the parts, but they are also kind of explosive views which show the order that the individual parts go for these Hitachi Seiki milling machines.
Overview:
I have collected this information for many years and have found the information they contain to be priceless in using and setting up the machines properly. I believe this manual will be a valuable resource of knowledge that will provide a lot of helpful information that is often hard to find. My manuals are not photocopies. I maintain a high standard of quality in my reproductions. Most of the manuals I reproduce look better than their originals. I have professionally digitally edited every page, and removed stains, wrinkles and handwriting. All of the manuals are printed on thick white paper to withstand shop wear and tear, which is better than a low resolution pdf download.
