Description
Number of Pages: 31
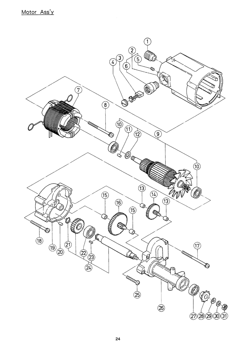
This is a reproduction, not a photocopy, of an original Hitachi P12RA 12-9/32″ Wood Planer and Jointer instructions and parts manual. This manual contains safety, installation, and assembly instructions. The manual covers how to operate the various parts of this planer properly. It shows how to make adjustments to the blades and perform maintenance. There are instructions for changing and mounting the knives and blades properly. This Hitachi manual has a complete set of clear explosive view diagrams of all the parts with parts lists and descriptions for this Hitachi planer/jointer combo.
Overview:
I have collected this information for many years and have found the information they contain to be priceless in using and setting up the machines properly. I believe this manual will be a valuable resource of knowledge that will provide a lot of helpful information that is often hard to find. My manuals are not photocopies. I maintain a high standard of quality in my reproductions. Most of the manuals I reproduce look better than their originals. I have professionally digitally edited every page, and removed stains, wrinkles and handwriting. All of the manuals are printed on thick white paper to withstand shop wear and tear, which can be better than a free, low-resolution pdf download.




