Description
Number of Pages: 90
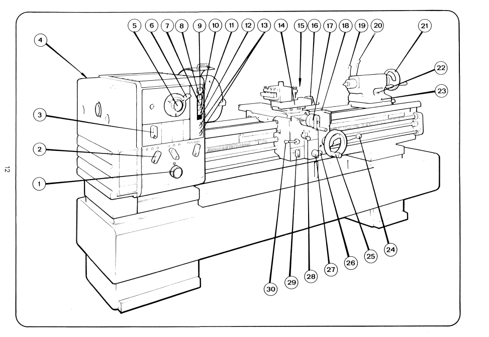
This is a reproduction, not a photocopy, of an original Harrison M500 21″ Metal Lathe Instructions and Parts manual. This manual contains information about the lathe specifications, installation instructions, proper lubricating instructions, adjustments, maintenance, and proper operating procedures. The manual also contains electrical wiring diagrams, and explosive view diagrams of all the parts for this Harrison M500 lathe.
Overview:
I have collected this information for many years and have found the information they contain to be priceless in using and setting up the machines properly. I believe this manual will be a valuable resource of knowledge that will provide a lot of helpful information that is often hard to find. My manuals are not photocopies. I maintain a high standard of quality in my reproductions. Most of the manuals I reproduce look better than their originals. I have professionally digitally edited every page, and removed stains, wrinkles and handwriting. All of the manuals are printed on thick white paper to withstand shop wear and tear.

