Description
Number of Pages: 25
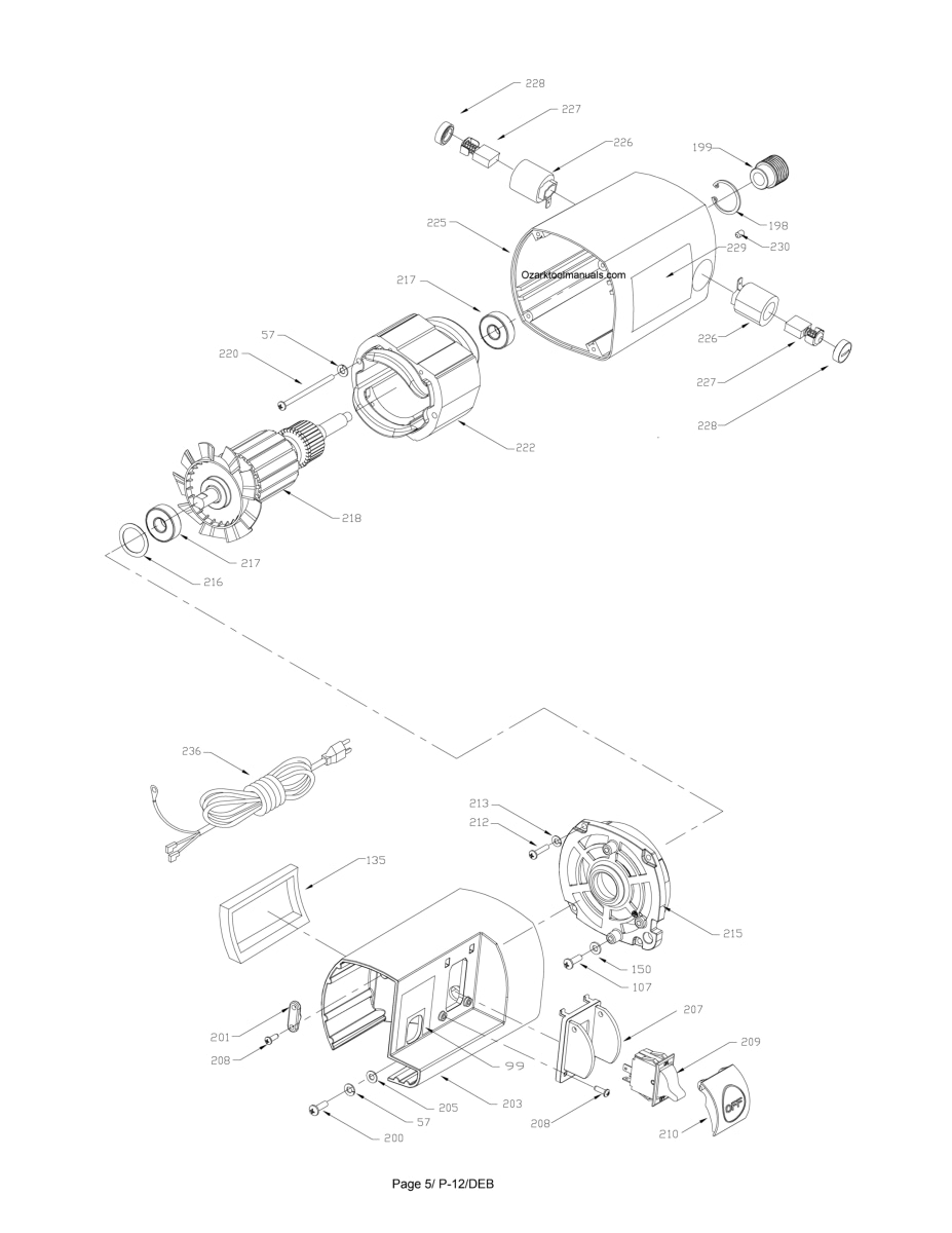
This is a reproduction, not a photocopy, of an original Delta Industrial Benchtop 13″ Portable Wood Two-Speed Finishing Planer 22-580 Instruction and Parts Manual 28529. This manual contains information on setting up the planer, and proper operating procedures of all the features for this planer. It covers adjusting the drive belt tension, feed roll belt tension, how to adjust and replace knives, adjusting spring tension on feed rollers, adjusting the pressure bar, and more. The manual includes proper lubrication instructions, and it comes with a complete set of exploded view diagrams of all the parts with parts list and descriptions for this Delta 22-580 13″ Planer.
Overview
I have collected this information for many years and have found the information they contain to be priceless in using and setting up the machines properly. I believe this manual will be a valuable resource of knowledge that will provide a lot of helpful information that is often hard to find. My manuals are not photocopies. I maintain a high standard of quality in my reproductions. Most of the manuals I reproduce look better than their originals. I have professionally digitally edited every page and removed stains, wrinkles, and handwriting. All of the manuals are printed on thick white paper to withstand shop wear and tear; they are then comb-bound with heavy cover pages, so they lie flat on the workbench. This manual is clearer and easier to read than a low-resolution PDF download.




