Description
Number of Pages: 48
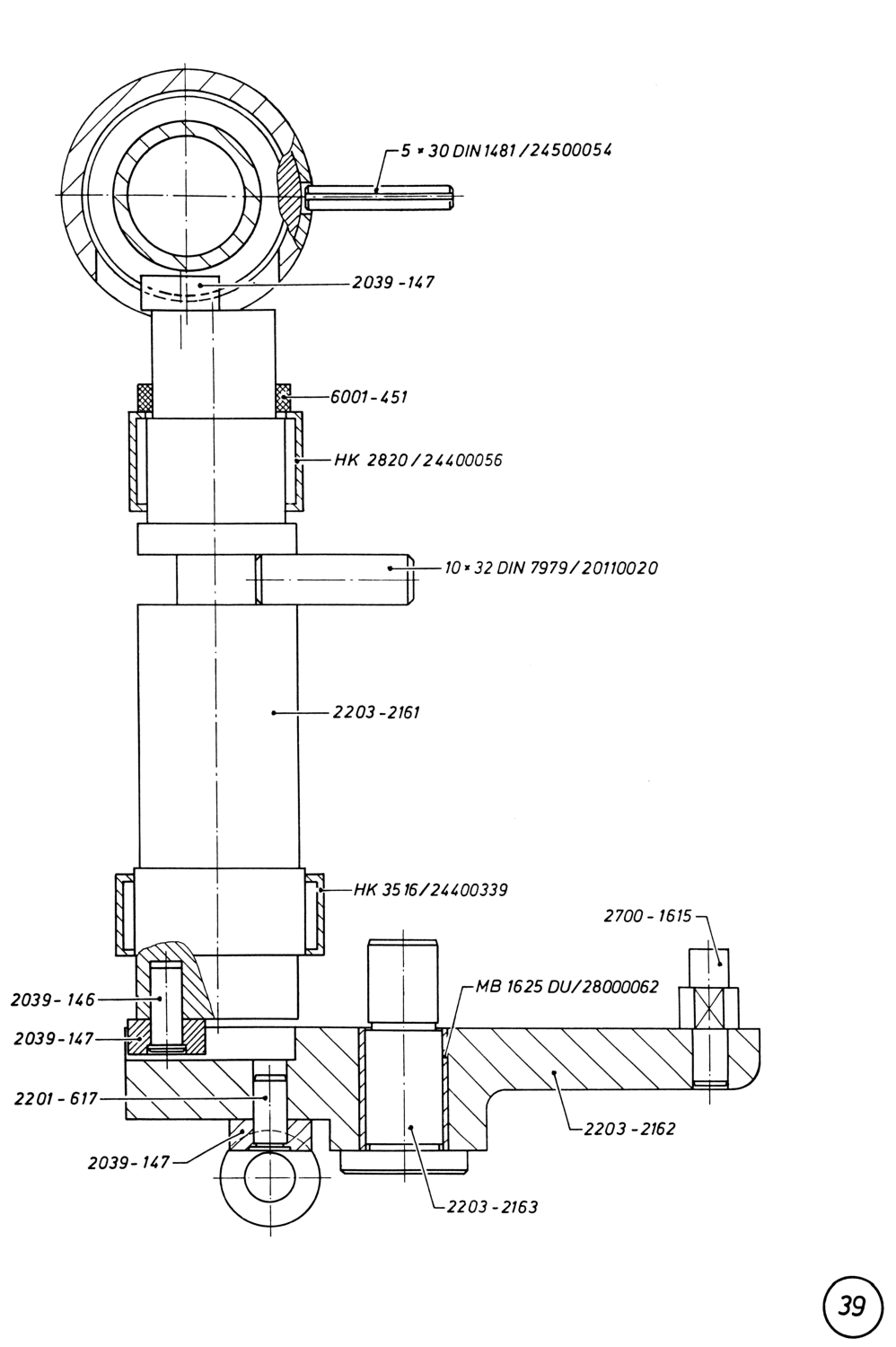
This is a reproduction, not a photocopy, of an original Deckel FP4M-2203 milling machine Parts Manual. This Deckel manual contains very clear and easy to read explosive view diagrams of all the parts for these milling machines. They have all the parts with parts numbers, but there are no descriptions or parts list. This is very typical of Deckel manuals.
Overview:
I have collected this information for many years and have found the information they contain to be priceless in using and setting up the machines properly. I believe this manual will be a valuable resource of knowledge that will provide a lot of helpful information that is often hard to find. My manuals are not photocopies. I maintain a high standard of quality in my reproductions. Most of the manuals I reproduce look better than their originals. I have professionally digitally edited every page, and removed stains, wrinkles and handwriting. All of the manuals are printed on thick white paper to withstand shop wear and tear, and better than a low resolution PDF download.


