Description
Number of Pages: 31
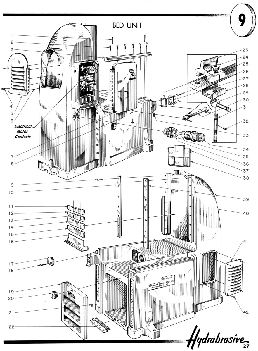
This is a reproduction, not a photocopy, of an original Abrasive Landis No. 1218 Surface Grinder Owner’s Instruction Manual. This manual includes information on operation, lubrication, maintenance, and adjustments. The manual contains explosive view diagrams of all the parts with parts list.
Overview
I have collected this information for many years and have found the information they contain to be priceless in using and setting up the machines properly. I believe this manual will be a valuable resource of knowledge that will provide a lot of helpful information that is often hard to find. My manuals are not photocopies. I maintain a high standard of quality in my reproductions. Most of the manuals I reproduce look better than their originals. I have professionally digitally edited every page, and removed stains, wrinkles and handwriting. All of the manuals are printed on thick white paper to withstand shop wear and tear; they are then comb bound with heavy cover pages so they lie flat on the workbench, which is better than a low resolution pdf download.
