Description
Number of Pages: 30
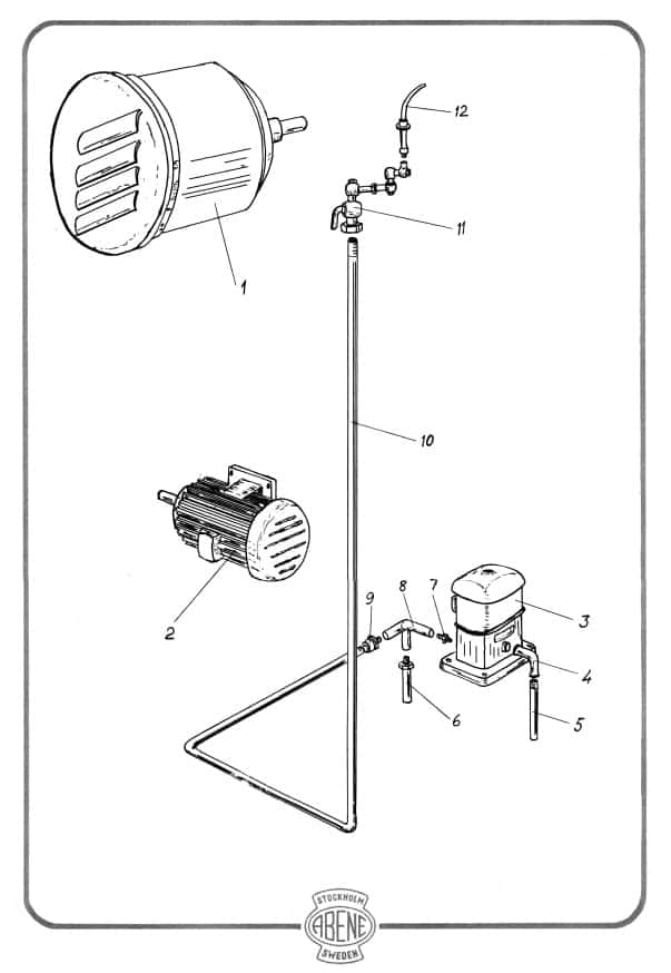
This is a reproduction, not a photocopy, of an original Abene of Stockholm Sweden VHF-2B Parts Manual. This Abene manual contains explosive view diagrams of all the parts with parts list and descriptions for this mill.
We have the operator’s manual for the Abene VHF-2B here:
ABENE VHF-2B Milling Machine Owner’s Operator’s Wiring Diagram Manual
Overview:
I have collected this information for many years and have found the information they contain to be priceless in using and setting up the machines properly. I believe this manual will be a valuable resource of knowledge that will provide a lot of helpful information that is often hard to find. My manuals are not photocopies. I maintain a high standard of quality in my reproductions. Most of the manuals I reproduce look better than their originals. I have professionally digitally edited every page, and removed stains, wrinkles and handwriting. All of the manuals are printed on thick white paper to withstand shop wear and tear.
