Description
Number of Pages: 23
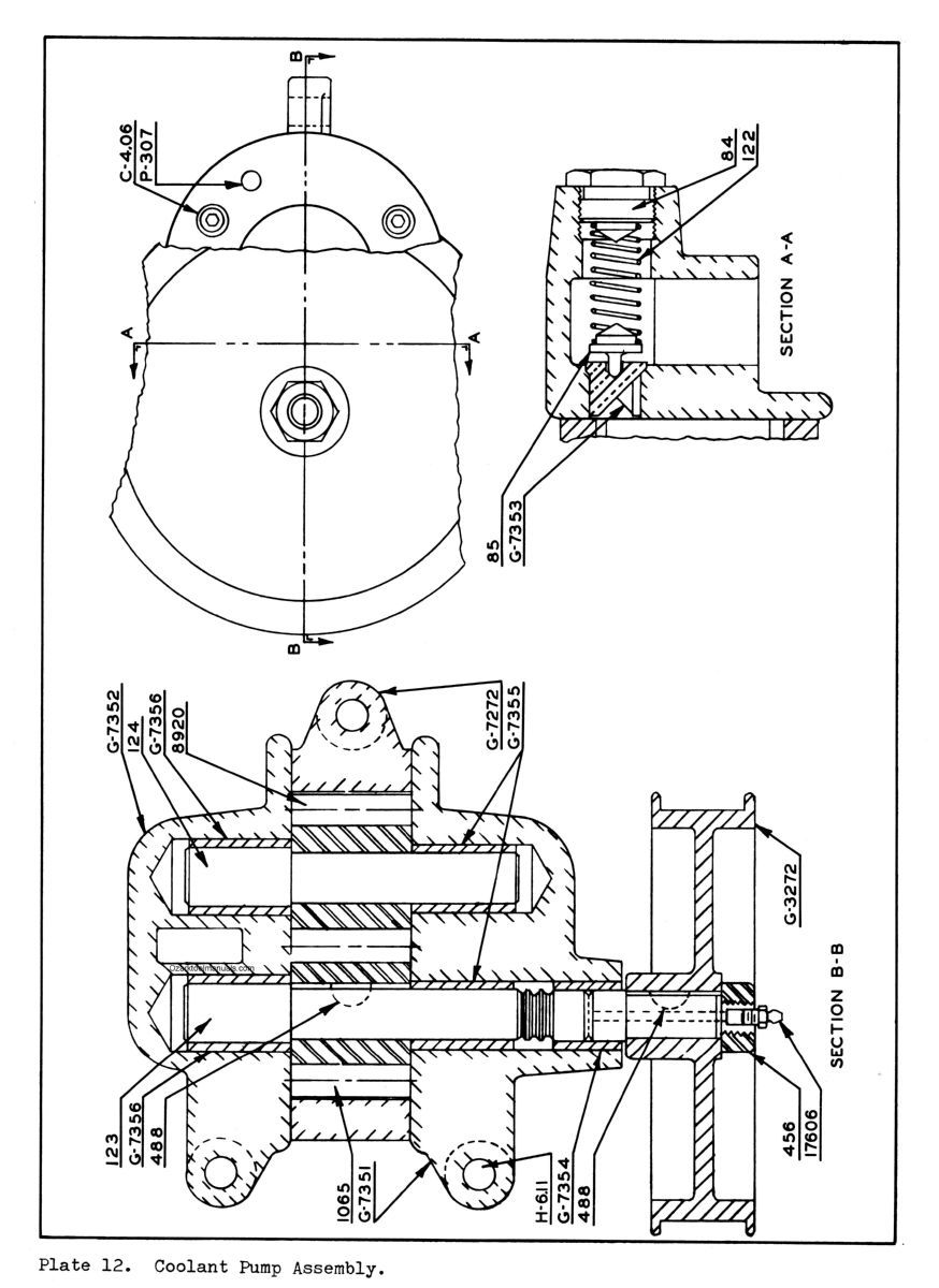
This is a reproduction, not a photocopy, of an original 1974 Fellows Gear Shaper Company Parts Manual for 7 & 7A type high speed gear shapers. This manual contains cross-sectional view diagrams of all the parts with parts list and descriptions.
We also have the repair service manual for these 7 and 7A Fellows gear shapers in our store.
Overview:
I have collected this information for many years and have found the information they contain to be priceless in using and setting up the machines properly. I believe this manual will be a valuable resource of knowledge that will provide a lot of helpful information that is often hard to find. My manuals are not photocopies. I maintain a high standard of quality in my reproductions. Most of the manuals I reproduce look better than their originals. I have professionally digitally edited every page, and removed stains, wrinkles and handwriting. All of the manuals are printed on thick white paper to withstand shop wear and tear, which is better than a low-resolution pdf download.




